2050 จำนวนผู้เข้าชม |
รั้วคอนกรีตสำเร็จรูป เสริมใยพลาสติก
สวยเรียบเนียนทุกด้าน น้ำหนักเบา ติดตั้งสะดวกรวดเร็ว


ประกอบด้วย ชิ้นส่วนต่างๆ ดังนี้ คือ เสา แผ่นรั้ว คานทับหลัง และหมวกครอบหัวเสา เป็นรั้วที่สวยแบบเรียบ ไม่มีลวดลายใดๆ ชิ้นส่วนทุกชิ้นผลิตขึ้นอย่างปราณีต มีการลบมุมที่ขอบของชิ้นงาน เหมาะอย่างยิ่งสำหรับรั้วบ้าน ซึ่งต้องการความปราณีตเป็นพิเศษ แต่ก็ใช้ได้กับรั้วทั้งขอบเขตของอาคารต่างๆ ทุกประเภท

เสารั้ว ถูกออกแบบให้มีร่องรับแผ่นรั้ว โดยออกแบบร่องรับไว้ 2 ลักษณะ ด้านหนึ่งเป็นมุมฉากสำหรับด้านที่ต้องการโชว์ อีกด้านเป็นรางตัว V สำหรับใส่ปูนยาแนวกันไม่ให้แผ่นรั้วเคลื่อน

แผ่นผนัง ออกแบบให้มีความเรียบทั้ง 2 ด้าน เพื่อการโชว์รั้วทุกมุมมอง อีกทั้งในแต่ละแผ่นมีร่องและลิ้นรับ เพื่อการใส่แผ่นให้สนิทไม่ให้มีช่องแสงผ่านได้

คานทับหลัง ถูกออกแบบให้ดูเรียบพร้อมลบมุมขอบของคานให้ดูสวยงาม

ครอบหัวเสา ถูกออกแบบให้มีลักษณะเรียบสวยพร้อมลบมุมทุกมุมเพื่อความสวยงาม คลาสสิค
ข้อมูลคอนกรีต
กำลังอัดประลัยของคอนกรีต ที่ 28 วัน ไม่น้อยกว่า 350 กก./ตร.ซม. ปูนซีเมนต์ปอร์ตแลนด์ชนิดแข็งตัวเร็ว และมีอัตราส่วนผสมใรคอนกรีตไม่น้อยกว่า 350/ลบ.ม. ผสมด้วยเถ้าลอยและเสริมแรงด้วยใยพลาสติก (Portland Cement, Flyash, Aggregate Reinforced with Plastic Fibers)
คุณสมบัติของวัสดุ
ขนาดวัสดุประกอบรั้ว รุ่น A

| รายการ | รหัสสินค้า | ขนาด กว้างxยาวxสูง (ซม.) | น้ำหนัก (กก.) |
| ครอบหัวเสาสำเร็จรูป รุ่น A | |||
| - ครอบหัวเสา เรียบ | APC-0 | 16x16x7.5 | 2.0 |
| - ครอบหัวเสา 1 ทาง | APC-1 | 16x16x7.5 | 1.9 |
| - ครอบหัวเสา 2 ทาง | APC-2 | 16x16x7.5 | 1.8 |
| - ครอบหัวเสา 3 ทาง | APC-3 | 16x16x7.5 | 1.7 |
| - ครอบหัวเสา 4 ทาง | APC-4 | 16x16x7.5 | 1.6 |
| - ครอบหัวเสา 2 ทางฉาก | APC-5 | 16x16x7.5 | 1.8 |

| รายการ | รหัสสินค้า | ขนาด กว้างxยาวxสูง (ซม.) | น้ำหนัก (กก.) |
| แผ่นรั้วสำเร็จรูป รุ่น A | |||
| - แผ่นเรียบ สั้น | APA-1 | 191x30x2.5 | 29.0 |
| - แผ่นเสริมพิเศษกันดิน สั้น | APA-2 | 191x30x5.0 | 58.0 |
| - แผ่นลูกกรงเล็ก สั้น | APA-3 | 191x30x4.2 | 35 |
| - แผ่นลูกกรงใหญ่ สั้น | APA-4 | 191x60x4.2 | 60 |
| - แผ่นเรียบ ยาว | APA-5 | 241x30x2.5 | 37.0 |
| - แผ่นเสริมพิเศษกันดิน ยาว | APA-6 | 241x30x5.0 | 74.0 |

| รายการ | รหัสสินค้า | ขนาด กว้างxยาวxสูง (ซม.) | น้ำหนัก (กก.) |
| ทับหลังสำเร็จรูป รุ่น A | |||
| - ทับหลังแผ่น สั้น | ATB-1 | 186.5x9x5 | 18.0 |
| - ทับหลังแผ่น ยาว | ATB-3 | 236x9x5 | 23.0 |

| รายการ | รหัสสินค้า | ขนาด กว้างxยาวxสูง (ซม.) | น้ำหนัก (กก.) |
| เสาสำเร็จรูป รุ่น A | |||
| - เสาสูง 1.45 เมตร | APO-145 | 145x13x13 | 47.0 |
| - เสาสูง 1.75 เมตร | APO-175 | 175x13x13 | 56.5 |
| - เสาสูง 2.05 เมตร | APO-205 | 205x13x13 | 66.0 |
| - เสาสูง 2.35 เมตร | APO-235 | 235x13x13 | 76.0 |
| - เสาสูง 2.65 เมตร | APO-265 | 265x13x13 | 88 |
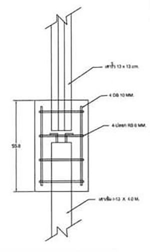
รั้วแบบฝังเสาเข็ม 2 ต้น (สำหรับความสูง 1.85, 2.15, 2.45, 2.75, 3.05)

รั้วแบบฝังเสาเข็ม 1 ต้น (สำหรับความสูง 1.25, 1.55)

วิธีการติดตั้งรั้ว รุ่น A

วางผัง/กดเสาเข็ม

ติดตั้งแบบหล่อฐานราก

หล่อฐานรากและตั้งเสา

ติดตั้งแผ่นผนังรั้ว

ติดตั้งคานทับหลังและครอบหัวเสา

ใส่ผนังแผ่นคอนกรีต วางทับหลังและใส่ครอบหัวเสา
รั้วคอนกรีตสำเร็จรูป เสริมใยพลาสติก รุ่น B
ข้อมูลคอนกรีต
กำลังอัดประลัยของคอนกรีตที่ 28 วัน ไม่น้อยกว่า 350 กก./ตร.ซม. ปูนซีเมนต์ปอร์ตแลนด์ชนิดแข็งตัวเร็ว และมีอัตราส่วนผสมในคอนกรีต ไม่น้อยกว่า 350/ลบ.ม. ผสมด้วยเถ้าลอยและเสริมแรงด้วยใยพลาสติก (Portland Cement, Flyash, Aggregate Reinforced with Plastic Fibers)
ขนาดวัสดุประกอบรั้ว รุ่น B

| รายการ | รหัสสินค้า | ขนาด กว้างxยาวxสูง (ซม.) | น้ำหนัก (กก.) |
| ครอบหัวเสาสำเร็จรูป รุ่น B | |||
| - ครอบหัวเสา เรียบ | BPC-0 | 17.5x17.5x12.5 | 3.2 |
| - ครอบหัวเสา 1 ทาง | BPC-1 | 17.5x17.5x12.5 | 3.1 |
| - ครอบหัวเสา 2 ทาง | BPC-2 | 17.5x17.5x12.5 | 2.7 |
| - ครอบหัวเสา 3 ทาง | BPC-3 | 17.5x17.5x12.5 | 2.6 |
| - ครอบหัวเสา 4 ทาง | BPC-4 | 17.5x17.5x12.5 | 2.4 |
| - ครอบหัวเสา 2 ทางฉาก | BPC-5 | 17.5x17.5x12.5 | 2.7 |

| รายการ | รหัสสินค้า | ขนาด กว้างxยาวxสูง (ซม.) | น้ำหนัก (กก.) |
| คานคอดินสำเร็จรูป รุ่น B | |||
| - คานคอดิน สั้น | BGB-1 | 241x20x6.6 | 71.0 |
| - คานคอดิน ยาว | BGB-2 | 281x20x6.6 | 83.0 |

| รายการ | รหัสสินค้า | ขนาด กว้างxยาวxสูง (ซม.) | น้ำหนัก (กก.) |
| คานทับหลังสำเร็จรูป รุ่น B | |||
| - คานทับหลัง สั้น | BTB-1 | 241x10x6.6 | 35.5 |
| - คานทับหลัง ยาว | BTB-2 | 281x10x6.6 | 41.5 |

| รายการ | รหัสสินค้า | ขนาด กว้างxยาวxสูง (ซม.) | น้ำหนัก (กก.) |
| เสาสำเร็จรูป รุ่น B | |||
| - เสาสูง 1.80 เมตร | BPO-180 | 180x14.1x14.1 | 62.5 |
| - เสาสูง 2.10 เมตร | BPO-210 | 210x14.1x14.1 | 70.0 |
| - เสาสูง 2.30 เมตร | BPO-230 | 230x14.1x14.1 | 77.0 |
| - เสาสูง 2.70 เมตร | BPO-270 | 270x14.1x14.1 | 89.0 |
รั้วคอนกรีตสำเร็จรูป กึ่งถึง กึ่งโปร่ง รุ่น C

เสา แผ่นผนังรั้ว คานทับหลัง ลูกกรงเหล็กกล่อง
เป็นรั้วโปร่ง ประกอบด้วยชิ้นส่วนต่างๆ ดังนี้คือ เสา แผ่นรั้วทึบสำหรับช่วงล่างของรั้ว ทับหลังแผ่น และคานบนสุดชนิดพิเศษ ซึ่งคานทั้ง 2 ชนิดนี้ มีหลุมสำหรับเสริมเหล็กกล่องสี่เหลี่ยมกลวง ทุกระยะประมาณ 15 ซม. ทำให้สะดวกและประหยัดในการก่อปูนพิเศษสำหรับรั้วหน้าบ้านของโครงการบ้านจัดสรร

เสารั้ว ถูกออกแบบให้มีร่อง เพื่อล็อคก้อนอิฐบล็อค ทำให้แนวการก่อบล็อคตรงยิ่งขึ้น

ทับหลังรั้ว ถูกออแบบให้มีความเรียบสวย และให้เข้ารูปกับตัวอิฐบล็อคได้ดียิ่งขึ้น

ครอบหัวเสา ถูกออกแบบให้เรียบง่าย มีสไตล์ เก็บงานหัวเสาเพื่อความสวยงาม
ข้อมูลคอนกรีต
กำลังอัดประลัยของคอนกรีตที่ 28 วัน ไม่น้อยกว่า 350 กก./ตร.ซม. ปูนซีเมนต์ปอร์ตแลนด์ชนิดแข็งตัวเร็ว และมีอัตราส่วนผสมในคอนกรีต ไม่น้อยกว่า 350/ลบ.ม. ผสมด้วยเถ้าลอยและเสริมแรงด้วยใยพลาสติก (Portland Cement, Flyash, Aggregate Reinforced with Plastic Fibers)
ขนาดวัสดุประกอบรั้ว รุ่น C

| รายการ | รหัสสินค้า | ขนาด กว้างxยาวxสูง (ซม.) | น้ำหนัก (กก.) |
| ครอบหัวเสาสำเร็จรูป รุ่น C | |||
| - ครอบหัวเสา เรียบ | BPC-0 | 17.5x17.5x12.5 | 3.2 |
| - ครอบหัวเสา 1 ทาง | BPC-1 | 17.5x17.5x12.5 | 3.1 |
| - ครอบหัวเสา 2 ทาง | BPC-2 | 17.5x17.5x12.5 | 2.7 |
| - ครอบหัวเสา 3 ทาง | BPC-3 | 17.5x17.5x12.5 | 2.6 |
| - ครอบหัวเสา 4 ทาง | BPC-4 | 17.5x17.5x12.5 | 2.4 |
| - ครอบหัวเสา 2 ทางฉาก | BPC-5 | 17.5x17.5x12.5 | 2.7 |

| รายการ | รหัสสินค้า | ขนาด กว้างxยาวxสูง (ซม.) | น้ำหนัก (กก.) |
| คานทับหลังสำเร็จรูป รุ่น C | |||
| - คานทับหลัง สั้น | BTB-1 | 241x10x6.6 | 35.5 |
| - คานทับหลัง ยาว | BTB-2 | 281x10x6.6 | 41.5 |
| รายการ | รหัสสินค้า | ขนาด กว้างxยาวxสูง (ซม.) | น้ำหนัก (กก.) |
| เสาสำเร็จรูป รุ่น C | |||
| - เสาสูง 1.80 เมตร | BPO-180 | 180x14.1x14.1 | 62.5 |
| - เสาสูง 2.10 เมตร | BPO-210 | 210x14.1x14.1 | 70.0 |
| - เสาสูง 2.30 เมตร | BPO-230 | 230x14.1x14.1 | 77.0 |
| - เสาสูง 2.70 เมตร | BPO-270 | 270x14.1x14.1 | 89.0 |
รั้วคอนกรีตสำเร็จรูปกึ่งทึบ กึ่งโปร่ง รุ่น C

วิธีการติดตั้งรั้ว รุ่น C

วางผัง/กดเสาเข็ม

ติดตั้งแบบหล่อฐานราก

หล่อฐานรากและตั้งเสา

ติดตั้งแผ่นผนังรั้ว
แบบร่างรั้วคอนกรีตสำเร็จรูป รุ่น C

ผลงานรั้วคอนกรีตสำเร็จรูป








ฐานรากเสาเข็มคู่ สำหรับรั้วสูงไม่เกิน 1.85 เมตร
แบบฐานราก รั้วสำเร็จรูป ชนิดเข็มคู่

